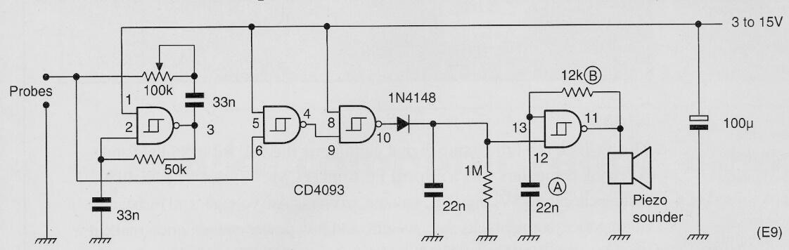
Este circuito fue encontrado en una publicación inglesa en el año 2000, caracterizado por un consumo de solo 7 uA en la condición de espera. El circuito puede ser alimentado por batería o fuente. El transductor es de tipo piezoeléctrico y el sensor consta de cables pelados que deben entrar en contacto con el líquido.




