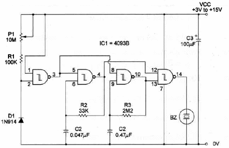
Este circuito hace que un zumbador emita un tono intermitente cuando la temperatura detectada por el diodo, usado como sensor, excede un cierto valor establecido en P1. R2 y R3 determinan el tono emitido y el transductor BZ es una cápsula piezoeléctrica común. El circuito puede alimentarse con tensiones de 3 a 15 V. El circuito es del libro Fun Projects for The Experimenter de Newton C. Braga, publicado en Estados Unidos.




