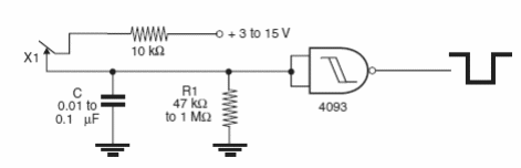
En la figura tenemos un circuito anti-repique con 4093. La duración del pulso viene dada por R1 y C. Más información sobre el cálculo de estos componentes se puede encontrar en la sección de matemáticas. El circuito es del libro Robotics, Mechatronis and Artificial Intelligence de Newton C. Braga.

Debouncer con el 4093



