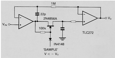
Este circuito se encontró en el Linear Circts Applications de Texas Instruments, originalmente usando el amplificador operacional doble con FET TLC272, pero se puede implementar con equivalentes como el CA3140. Los FETS pueden ser BF245 o MPF102 y la fuente de alimentación debe ser simétrica. El capacitor sin valor depende de la frecuencia de muestreo y puede asumir valores típicos entre 10 nF y 1 uF.




