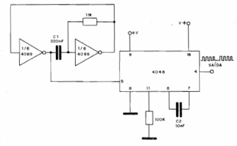
Este circuito produce trenes pulsados a una frecuencia determinada por C1 y C2. Estos capacitores pueden estar entre 10 nF y 10 uF. C1 determina la duración y el intervalo entre pulsos, mientras que C2 determina la frecuencia del tren de pulsos. Tenga en cuenta que C1 debe ser al menos 10 veces más grande que C1. La alimentación se puede realizar con tensiones de 5 a 12 V y para el 4069 ver en otros artículos del sitio o en el libro Curso de Electrónica Electrónica su pinout;




