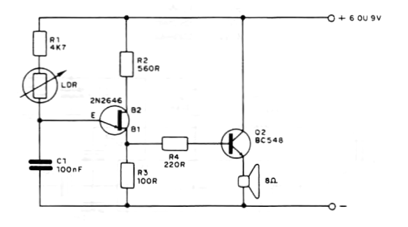
Los transistores unijuntura ya casi no se utilizan, pero este circuito tiene un propósito didáctico y se puede ensamblar si el lector desea estudiar el principio de funcionamiento de estos componentes. El circuito produce una señal de audio cuya frecuencia depende de la intensidad de la luz que incide en el LDR. Podemos usarlo como una especie de convertidor de frecuencia de luz. El rango de frecuencias producido depende del condensador C1. Este componente normalmente puede tener valores entre 22 nF y 1 uF. El circuito se puede alimentar con baterías, ya que es de bajo consumo.




