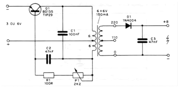
Este inversor proporciona una tensión de salida entre 100 y 400 V, a muy baja corriente, hasta unos 2 mA, dependiendo del transformador utilizado. El transistor debe tener un pequeño disipador de calor. La alimentación se puede realizar con baterías y el transformador tiene un secundario de 6 + 6 V con corrientes en el rango de 100 a 250 mA. La medición de la tensión con el multímetro no proporciona valores reales, ya que la resistencia interna del multímetro carga el inversor. El ajuste del mejor rendimiento se realiza en P1.




