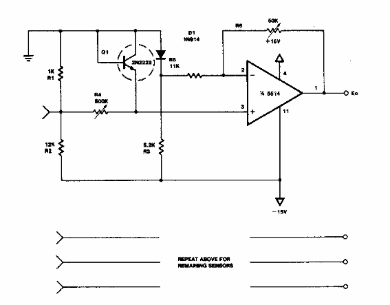
Este circuito usa un transistor como sensor y opera en el rango de 0 a 50º C. Lo encontramos en documentación antigua. Se pueden utilizar operacionales equivalentes.

Sensor de temperatura de 0 a 50 grados
Este circuito usa un transistor como sensor y opera en el rango de 0 a 50º C. Lo encontramos en documentación antigua. Se pueden utilizar operacionales equivalentes.
