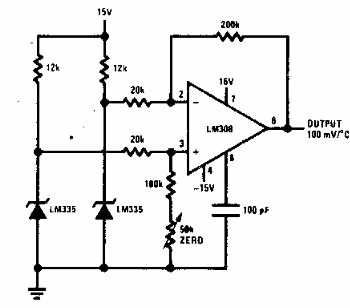
Encontramos este circuito en una documentación estadounidense de los años 80. El amplificador operacional es de esa época. Los sensores son diodos. La fuente de alimentación debe ser simétrica.

Sensor de temperatura diferencial
Encontramos este circuito en una documentación estadounidense de los años 80. El amplificador operacional es de esa época. Los sensores son diodos. La fuente de alimentación debe ser simétrica.
