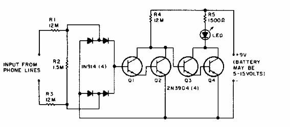
Este circuito se encontró en documentación de la década de 1980. El circuito se puede hacer con diodos de propósito general y transistores equivalentes, también para propósito general.

Indicador de teléfono descolgado
Este circuito se encontró en documentación de la década de 1980. El circuito se puede hacer con diodos de propósito general y transistores equivalentes, también para propósito general.
