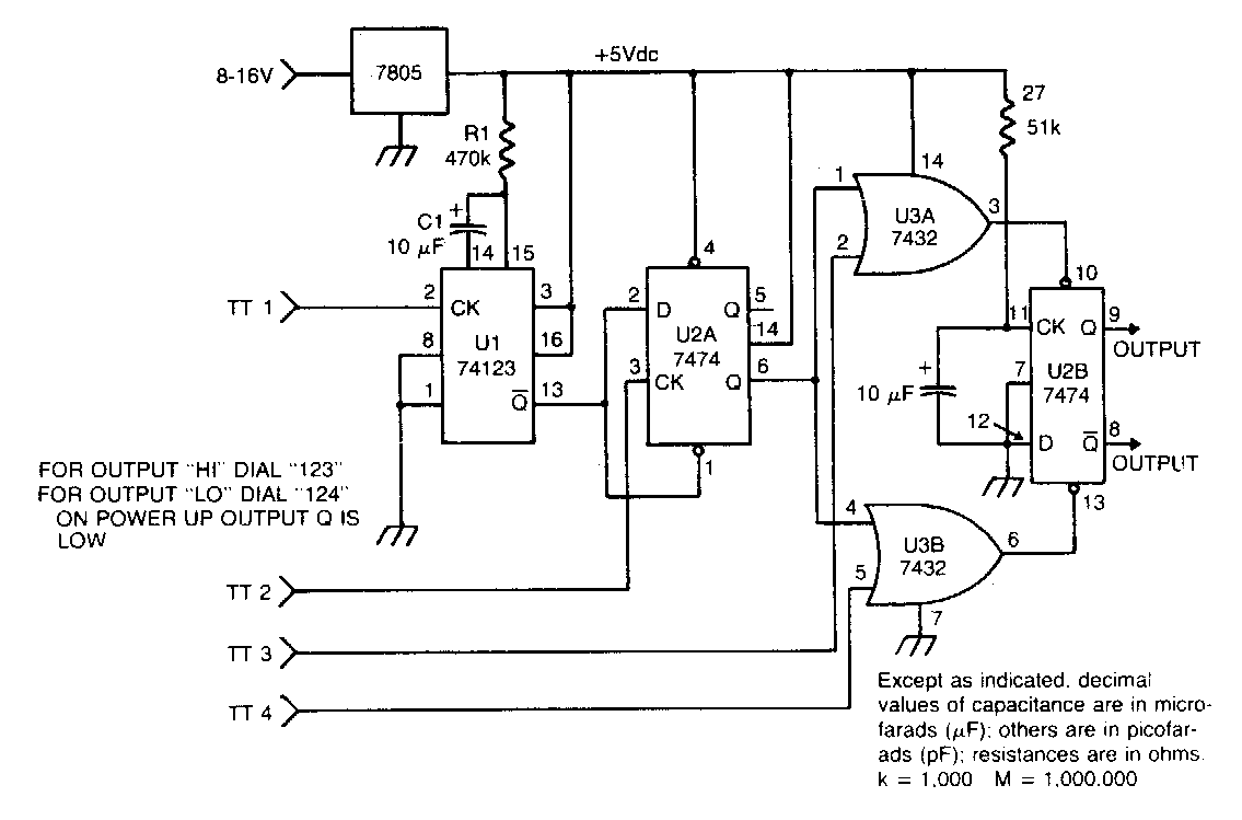
Este circuito se obtuvo en una documentación sobre telefonía de los años 80. Los componentes utilizados son TTL, y la alimentación debe realizarse con 5 V.
Este circuito genera señales de menos de 10 Hz. Lo encontramos en una Popular Electronics de los años 90....
Este circuito de motor paso a paso se encontró en el Linear Databook de Motorola de 1990. El...
Este circuito, encontrado en una publicación de Sylvania de 1956, estaba destinado a servir como un...