Este circuito para la red de suministro utiliza un LED y un transistor para detectar el polo vivo. El circuito requiere resistores de alto valor por seguridad.

Indicador de polo vivo
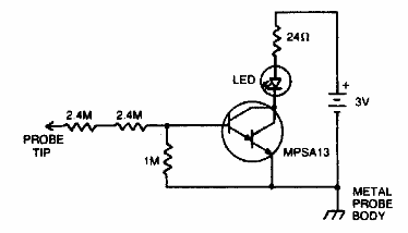
Este circuito para la red de suministro utiliza un LED y un transistor para detectar el polo vivo. El circuito requiere resistores de alto valor por seguridad.
