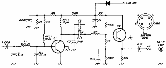
Este preamplificador de bajo ruido tiene una ganancia de 19 dB en la banda de 30 MHz. El circuito es de los años 80. Los transistores son de la época, y se pueden utilizar equivalentes. El consumo del circuito es de 13 mA.

Preamplificador para 30 MHz



