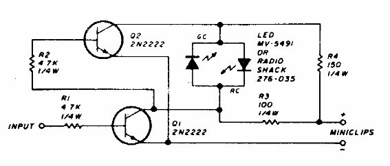
Este circuito se encontró en la documentación de Radio Shack de la década de 1970. Los transistores todavía son comunes en la actualidad. El circuito sirve para lógica TTL y CMOS.

Prueba lógica de tres estados
Este circuito se encontró en la documentación de Radio Shack de la década de 1970. Los transistores todavía son comunes en la actualidad. El circuito sirve para lógica TTL y CMOS.
