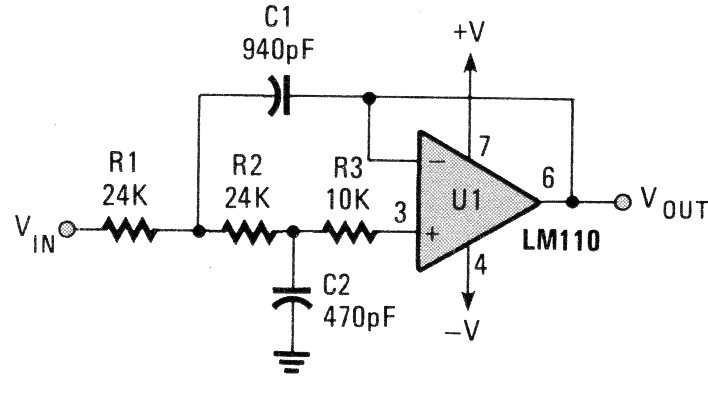
La frecuencia de este circuito depende de C1 y, para los valores indicados, es de 1 kHz. Se pueden utilizar amplificadores operacionales equivalentes y la fuente de alimentación debe ser simétrica.

 

Filtro pasa baja activo
Filtro pasa baja activo | Haga click en la imagen para ampliar |