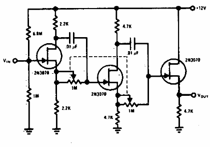
Encontrado en documentación antigua, este circuito cambia la fase de una señal de 0 a 360 grados. Los FET admiten equivalentes modernos. El circuito es de documentación de los años 70.

Cambio de fase de 0 a 360
Encontrado en documentación antigua, este circuito cambia la fase de una señal de 0 a 360 grados. Los FET admiten equivalentes modernos. El circuito es de documentación de los años 70.
