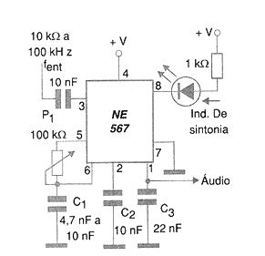
Para decodificar señales moduladas en frecuencia o ancho de pulso (PWM) la configuración utilizada es la que se muestra en la figura. La frecuencia central de la portadora está configurada en P1 y la salida tiene una señal cuya amplitud depende de la desviación de frecuencia de la señal de entrada en relación con la frecuencia para la que se ha ajustado el PLL. Este circuito se puede utilizar como decodificador para un sistema de comunicaciones modulado a través de la red eléctrica. La tensión de alimentación debe estar entre 5 y 10 V.




