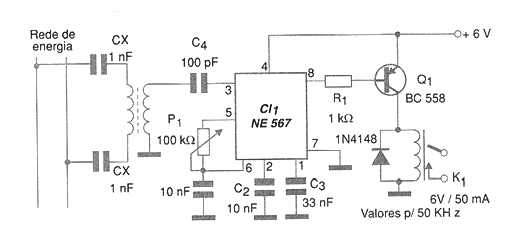
El presentado es un sistema que puede reconocer un tono que se superpone a la tensión de la red eléctrica. El circuito se muestra en la figura. Este circuito necesita una señal de entrada de 50 mV a 500 mV para que, al reconocer el tono, se active el relé. Una aplicación de este circuito es en un sistema de control remoto a través de la red o en la teledetección del funcionamiento de una máquina que utiliza la red eléctrica para transmitir la información. El transformador T1 se puede enrollar en una varilla de ferrita que consta de 200 + 200 vueltas de alambre esmaltado 32 AWG o más delgado. Los valores de los demás componentes se seleccionan para una frecuencia portadora de 100 kHz. Esta misma configuración se puede conectar a la salida de un receptor de infrarrojos o radio para obtener un mando a distancia modulado por tonos. Debe tenerse en cuenta que el hecho de que los armónicos puedan provocar una activación aleatoria limita en gran medida el número de canales que componen un sistema de control remoto. Por tanto, en la práctica, ajustar las frecuencias ya es fundamental cuando se supera el límite de 6 canales. En este caso, un canal ya puede interferir con el otro, tanto por problemas de selectividad como por el reconocimiento de armónicos.




