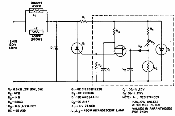
Este circuito se encontró en una documentación antigua de fábrica. El circuito utiliza SCR de transistor de unión única en ese momento. Estos componentes admiten equivalentes modernos.

Atenuador de precisión 860 W
Este circuito se encontró en una documentación antigua de fábrica. El circuito utiliza SCR de transistor de unión única en ese momento. Estos componentes admiten equivalentes modernos.
