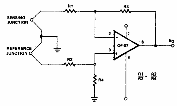
Este circuito se encontró en una documentación estadounidense de los años 90. Se puede implementar con operacionales modernos. La fuente de alimentación debe ser simétrica.

Amplificador de termopar de alta estabilidad
Este circuito se encontró en una documentación estadounidense de los años 90. Se puede implementar con operacionales modernos. La fuente de alimentación debe ser simétrica.
