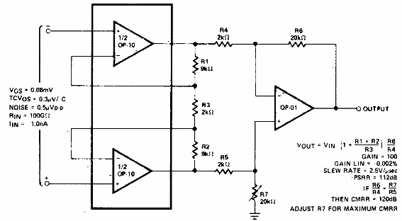
Este amplificador con tres amplificadores operacionales se encontró en una antigua documentación estadounidense. Los amplificadores operacionales son de la época, pero el circuito se aplica a los componentes modernos.

Amplificador de instrumentación
Este amplificador con tres amplificadores operacionales se encontró en una antigua documentación estadounidense. Los amplificadores operacionales son de la época, pero el circuito se aplica a los componentes modernos.
