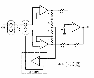
Esta es la configuración básica de un amplificador de instrumentación sensible que se puede aplicar a la mayoría de los amplificadores operacionales. La fórmula para calcular los componentes se muestra al lado del diagrama.

Amplificador de instrumentación



