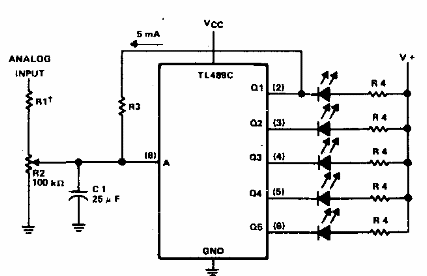
Encontrado en una documentación de los años 90, este circuito aparece en otras configuraciones en este sitio. El circuito puede ser alimentado con tensiones de 5 a 12 V.

Indicador de 5 niveles
Encontrado en una documentación de los años 90, este circuito aparece en otras configuraciones en este sitio. El circuito puede ser alimentado con tensiones de 5 a 12 V.
