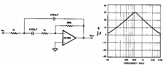
Este filtro Sallen Key de 500 Hz se encontró en una documentación de la década de 1990. Se pueden utilizar amplificadores operacionales equivalentes. La fuente de alimentación debe ser simétrica.

Filtro de paso de rango de 500 Hz
Este filtro Sallen Key de 500 Hz se encontró en una documentación de la década de 1990. Se pueden utilizar amplificadores operacionales equivalentes. La fuente de alimentación debe ser simétrica.
