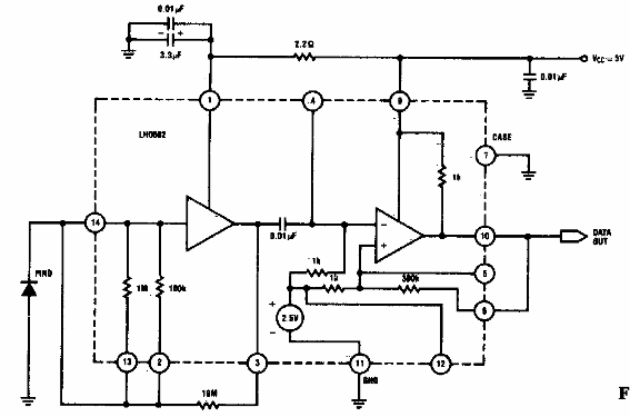
Este circuito de baja velocidad se encontró en una documentación estadounidense de la década de 1980. El circuito integrado, no informado, es de la época, pero se pueden hacer configuraciones equivalentes con componentes modernos.

Receptor de fibra óptica de alta sensibilidad



