Encontrado en una antigua publicación estadounidense, esta es una de las muchas configuraciones posibles para un amplificador de señal de video analógico. La fuente es simétrica y el operacional es de esa época.

Amplificador de video 2
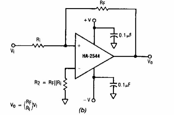
Encontrado en una antigua publicación estadounidense, esta es una de las muchas configuraciones posibles para un amplificador de señal de video analógico. La fuente es simétrica y el operacional es de esa época.
