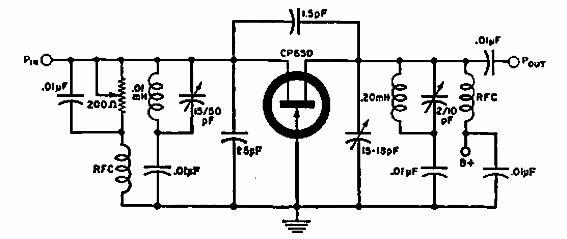
Encontrado en una Electronics World de 1969, este circuito está destinado a amplificar señales de TV por cable analógico. El transistor admite un equivalente moderno.

Amplificador para CATV
Encontrado en una Electronics World de 1969, este circuito está destinado a amplificar señales de TV por cable analógico. El transistor admite un equivalente moderno.
