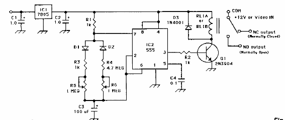
Encontrado en una revista 73 para radioaficionados, este circuito tiene dos ajustes, un para el intervalo y el otro para el tiempo de activación. El circuito es cíclico, abriendo y cerrando el relé a los intervalos establecidos.

Temporizador de 10 minutos 555



