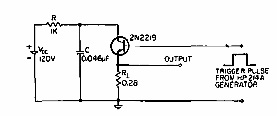
Esta etapa de conmutación de alta corriente se encontró en una EEE de 1967. El transistor de potencia es de esa época. La corriente máxima puede alcanzar 30 A.

Pulsos de 5 A con 120 kHz
Esta etapa de conmutación de alta corriente se encontró en una EEE de 1967. El transistor de potencia es de esa época. La corriente máxima puede alcanzar 30 A.
