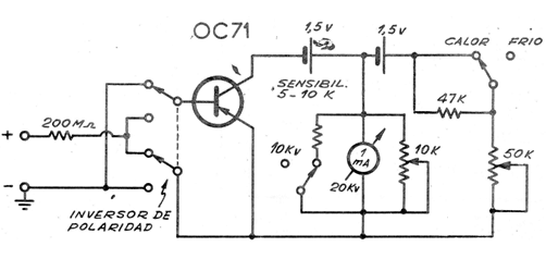
Este voltímetro tiene una resistencia de entrada de 200 M ohms (se pueden utilizar resistencias de 47 M ohms en serie para obtener esa resistencia). El circuito es de una publicación argentina de 1973 y transistores equivalentes pueden ser empleados. El potenciómetro de ajuste de nulo de 50k puede ser de 47k. La escala de corrientes de 1 mA de un multímetro común puede utilizarse en lugar del instrumento original.




