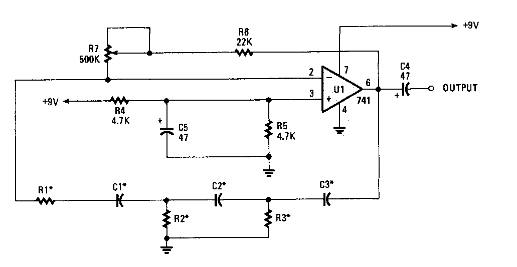
Diseñado para la pista de audio, este circuito se encontró en una Popular Electronics de los 90. Se puede usar otro operacional y R7 puede ser de 470 k. La frecuencia es de 1 kHz.

 

Oscilador de desplazamiento de fase CIR16279S
Oscilador de desplazamiento de fase CIR16279S | Haga click en la imagen para ampliar |