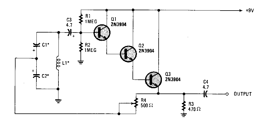
Encontrado en una Popular Electronics desde la década de 1980, este circuito genera señales sinusoidales de baja distorsión. Para 1 kHz, use C de 4.7 uF de tantalio y C2 de acuerdo con la fórmula.

 

Oscilador de baja distorsión
Oscilador de baja distorsión

 

 

 

Oscilador de baja distorsión
Oscilador de baja distorsión | Haga click en la imagen para ampliar |