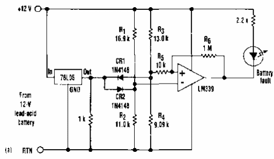
Encontrado en una Electronic Design de los años 80, este circuito monitorea la carga de una batería de 12 V.
Para esto se necesitará el siguiente material: 1 Capacitor electrolítico de 470 µF o 1000 µF de...
Cuando un pulso de luz incide en el LDR, este circuito dispara un temporizador monoestable 555 que acciona...
Cargar pequeñas pilas y baterías de Nicad (Niquel-Cadmio) de los tipos AAA, AA, C, D y baterías de 9 V es...