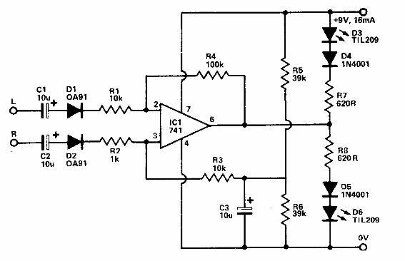
Este circuito se encontró en una Electronics Today International en la década de 1980. El circuito utiliza componentes todavía comunes, que proporcionan la indicación a través de LED.

Indicador de equilibrio para estéreo
Este circuito se encontró en una Electronics Today International en la década de 1980. El circuito utiliza componentes todavía comunes, que proporcionan la indicación a través de LED.
