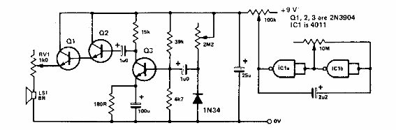
Encontrado en otra parte de esta sección, este circuito imita el ruido de una locomotora de vapor. Esto se obtuvo de un Electronics Today International de la década de 1980.

Ruido locomotora
Encontrado en otra parte de esta sección, este circuito imita el ruido de una locomotora de vapor. Esto se obtuvo de un Electronics Today International de la década de 1980.
