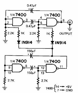
Este circuito se encontró en una Radio Electronics desde la década de 1980. La señal debe aplicarse a una etapa de amplificador. Los capacitores se pueden alterar para cambiar los efectos.

Sirena de dos tonos
Este circuito se encontró en una Radio Electronics desde la década de 1980. La señal debe aplicarse a una etapa de amplificador. Los capacitores se pueden alterar para cambiar los efectos.
