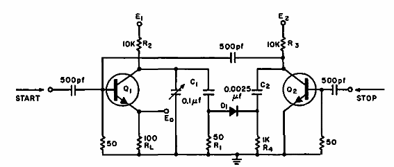
Encontrado en una Electronic Design de 1964, este circuito genera pulsos basados en un diodo de avalancha de la época. El circuito se puede probar con componentes equivalentes modernos.

Generador de pulso
Encontrado en una Electronic Design de 1964, este circuito genera pulsos basados en un diodo de avalancha de la época. El circuito se puede probar con componentes equivalentes modernos.
