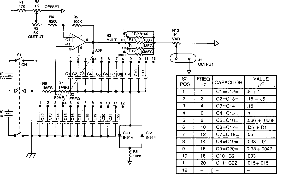
Este circuito puede generar señales de 1 Hz a 20 Hz en rangos de 2 Hz. La tabla al lado del diagrama proporciona los valores de los componentes para los diferentes rangos. Lo encontramos en la documentación antigua. La fuente de alimentación es de 9 + 9 V.




