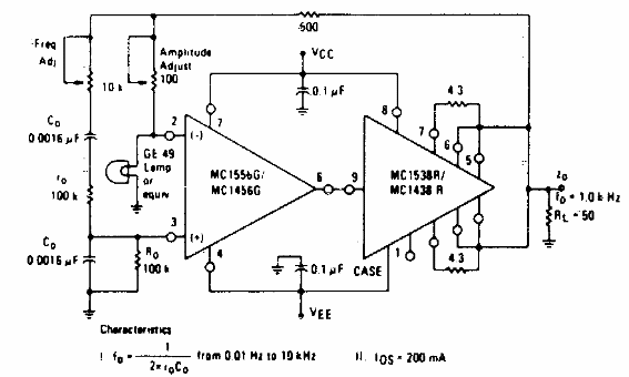
Encontrado en documentación de Motorola de la década de 1970, este circuito utiliza componentes de época. La lámpara se utiliza como dispositivo estabilizador. La señal es sinusoidal.

Oscilador por puente de Wien
Encontrado en documentación de Motorola de la década de 1970, este circuito utiliza componentes de época. La lámpara se utiliza como dispositivo estabilizador. La señal es sinusoidal.
