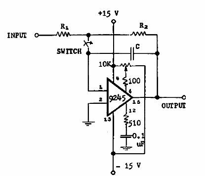
Encontrado en la documentación de los años 70, este circuito puede operar con señales de hasta 10 MHz. El operacional puede ser un equivalente moderno.

Muestreo y retención de alta velocidad
Encontrado en la documentación de los años 70, este circuito puede operar con señales de hasta 10 MHz. El operacional puede ser un equivalente moderno.
