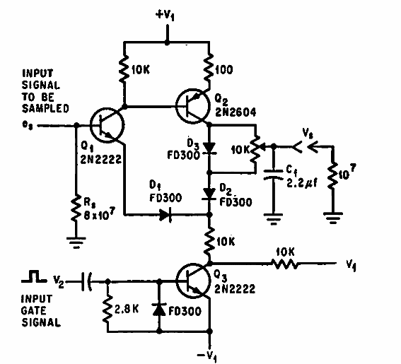
Este circuito se encontró en una publicación estadounidense de 1966. Lo que hace es recibir un pulso y mantenerlo durante intervalos de hasta 1 minuto en la salida.

Pulsos para sistemas de datos
Este circuito se encontró en una publicación estadounidense de 1966. Lo que hace es recibir un pulso y mantenerlo durante intervalos de hasta 1 minuto en la salida.
