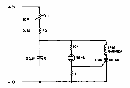
Este circuito produce pulsos de 90 V a intervalos que pueden alcanzar los 5 minutos. El circuito es de una Electronic Design de 1969.

Pulsador de 90 V
Este circuito produce pulsos de 90 V a intervalos que pueden alcanzar los 5 minutos. El circuito es de una Electronic Design de 1969.
