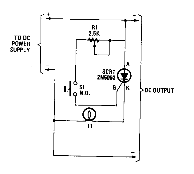
Este circuito se encontró en una Hands On Electronics de los 90. Supervisa la presencia de tensión en una fuente de alimentación. La lámpara depende de la tensión monitoreada.

Monitor de alimentación
Este circuito se encontró en una Hands On Electronics de los 90. Supervisa la presencia de tensión en una fuente de alimentación. La lámpara depende de la tensión monitoreada.
