Encontramos este regulador simétrico en una documentación de los años 70. El circuito utiliza componentes de esa época, que son difíciles de encontrar hoy en día.

Regulador doble con referencia común
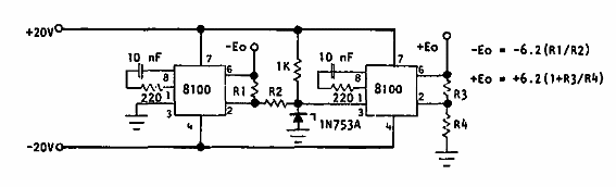
Encontramos este regulador simétrico en una documentación de los años 70. El circuito utiliza componentes de esa época, que son difíciles de encontrar hoy en día.
