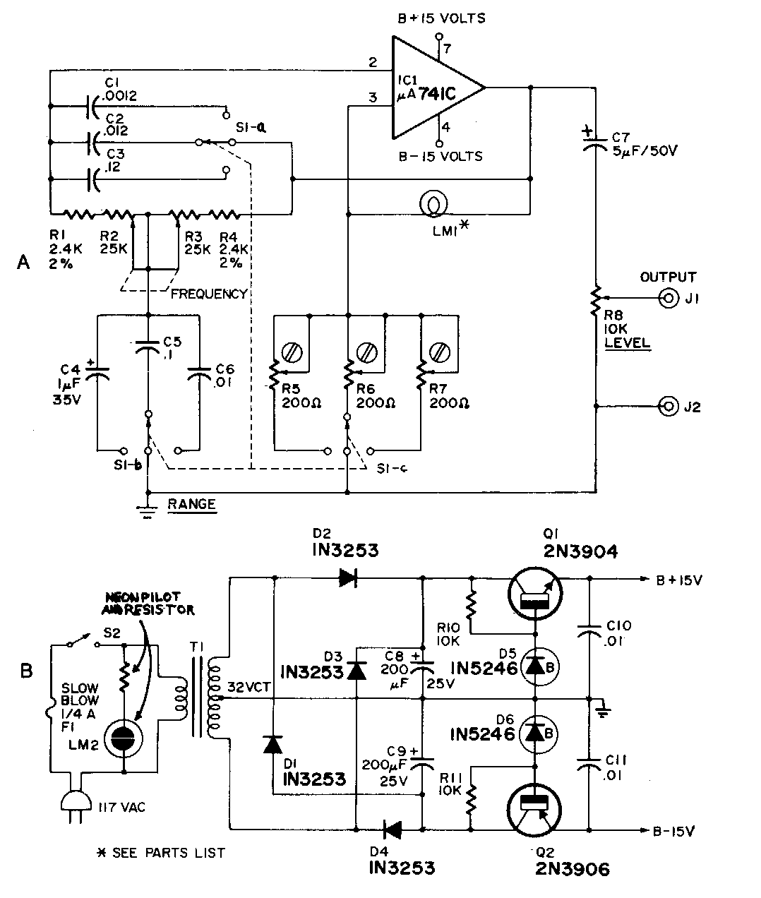
En la figura tenemos el circuito de un generador de audio completo usando el 741. El circuito se encontró en una Radio Electronics de los años 90. Incluye la fuente simétrica implementada con transistores de propósito general.

 

Generador de audio 741
Generador de audio 741 | Haga click en la imagen para ampliar |