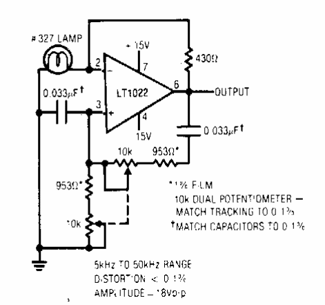
Encontrado en documentación de Linear Technology de los años 90, este circuito utiliza un amplificador operacional de la época. Los equivalentes pueden ser probados. La lámpara regula la señal.

Oscilador sinusoidal de baja distorsión
Encontrado en documentación de Linear Technology de los años 90, este circuito utiliza un amplificador operacional de la época. Los equivalentes pueden ser probados. La lámpara regula la señal.
