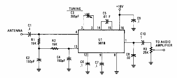
Este circuito receptor se encontró en una Hands On Electronics de los años 90. El circuito utiliza un PLL 561B que no es un componente común en la actualidad.

Receptor de AM con PLL
Este circuito receptor se encontró en una Hands On Electronics de los años 90. El circuito utiliza un PLL 561B que no es un componente común en la actualidad.
