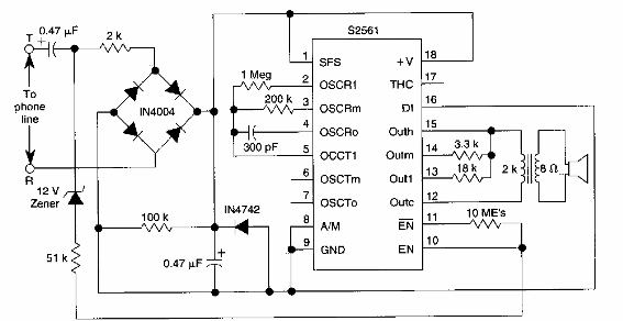
Usando un circuito integrado de la época, encontramos esta configuración en una Radio Electronics de los años 90.

Discador telefónico
Usando un circuito integrado de la época, encontramos esta configuración en una Radio Electronics de los años 90.
