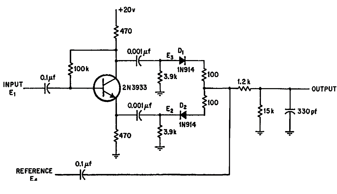
Encontrado en una documentación de 1969, este circuito para la banda de 20 MHz no usa transformador. El circuito es un detector de fase que utiliza el transistor de la época.

 

Detector de fase sensible sin transformador
Detector de fase sensible sin transformador | Haga click en la imagen para ampliar |