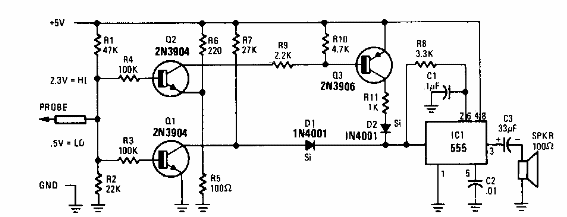
Encontrado en Radio Electronics desde la década de 1960, este circuito proporciona un tono de audio que depende de los niveles lógicos de la señal de entrada. El circuito puede funcionar con tensiones de 5 V obtenidos del circuito bajo prueba.

Prueba de tono para Cis digital



